ETEK-RCCB-EKL1-63
ETEK-RCCB-EKL1-63
ETEK-RCCB-EKL1-63
ETEK-RCCB-EKL1-63
ETEK-RCCB-EKL1-63
ETEK-RCCB-EKL1-63
ETEK-RCCB-EKL1-63

Disjoncteur différentiel EKL1-63 (RCCB)

Le disjoncteur différentiel EKL1-63 est un disjoncteur différentiel de pointe conçu pour offrir une protection robuste contre les fuites et les défauts électriques. Disponible avec des capacités de coupure de 6 kA et 10 kA, ce disjoncteur différentiel convient à une large gamme d'installations électriques. Conforme aux normes IEC 61008-1, le EKL1-63 assure une sécurité et une fiabilité optimales, ce qui en fait un composant essentiel pour la protection des systèmes électriques.

● Norme : IEC61008-1
● Type : CA, A
● Courant nominal : 16~63A
● Tension nominale : 230/400 V~240/415 V
● Pôles : 2P (1P+N), 4P (3P+N), pôle N à droite
● Sensibilité nominale I△n : 30 mA, 100 mA, 300 mA, 10 mA (2P, 1P+N ; 16 A, 25 A)
● Pouvoir de coupure nominal en court-circuit : 6 kA, 10 kA
● Température ambiante : -25...+40ºC
● Connexion : Par le haut et par le bas
● Certificats : CB, CE, TUV

Disjoncteur différentiel EKL1-63 (RCCB)

Renseignez-vous maintenant PDF

Présentation du produit

Le disjoncteur différentiel EKL1-63 est adapté aux circuits de 50/60 Hz CA. Tension nominale de 240 V pour 1P+N et 415 V pour 3P+N, et courant nominal jusqu'à 63 A. Lorsque des personnes sont soumises à un choc électrique ou que le courant de fuite du réseau électrique dépasse la valeur fixée, ce produit peut couper le courant de défaut en peu de temps afin de protéger les personnes et les équipements. Il peut également être utilisé lors de démarrages peu fréquents du circuit et des moteurs. Le disjoncteur est adapté à l'industrie, au commerce, aux immeubles de grande hauteur, aux ménages et à d'autres types d'endroits. Ce produit est conforme à la norme IEC/EN61008-1.

Caractéristiques:
  • Pouvoir de coupure élevé : disponible en options 6 kA et 10 kA, offrant une flexibilité pour différents besoins d'application.

  • Plage de courant polyvalente : prend en charge des courants nominaux de 16 A à 63 A, s'adaptant à diverses configurations électriques.

  • Plusieurs options de configuration : proposées dans des configurations 1P+N, 3P+N pour diverses exigences d'installation.

  • Conformité IEC 61008-1 : Conforme aux normes internationales relatives aux disjoncteurs différentiels, garantissant des performances fiables.

  • Détection efficace des fuites : protège contre les courants de fuite dangereux, améliorant ainsi la sécurité électrique globale.

  • Construction robuste : fabriqué à partir de matériaux de haute qualité pour une durabilité et une fiabilité à long terme.

  • Installation simple : Conçu pour une intégration facile dans les systèmes électriques existants avec un montage simple.

  • Affichage clair des indicateurs : Comprend des indicateurs marche/arrêt et de déclenchement visibles pour une surveillance efficace et un diagnostic rapide des pannes.

  • Protection complète : offre une protection améliorée contre les surcharges et les courts-circuits lorsqu'il est utilisé avec un MCB.


Applications :
  • Installations électriques résidentielles

  • Bâtiments commerciaux et de bureaux

  • Installations industrielles et sites de fabrication

  • Bâtiments du secteur public (écoles, hôpitaux, etc.)

  • Points de vente et centres commerciaux

  • Lieux d'accueil tels que hôtels et complexes hôteliers

  • Infrastructures informatiques et centres de données

  • Systèmes d'énergie renouvelable


Le disjoncteur différentiel EKL1-63 d'ETEK Electric est conçu pour répondre aux normes de sécurité les plus strictes, offrant une protection fiable pour les personnes et les équipements. En choisissant l'EKL1-63, vous investissez dans une solution de protection de circuit de haute qualité qui garantit la sécurité et l'efficacité de vos systèmes électriques. Idéal pour les nouvelles installations et les mises à niveau, le disjoncteur différentiel EKL1-63 est un choix de confiance pour les besoins de sécurité électrique modernes.

Paramètres techniques

Données techniques

Standard
CEI/EN61008-1
Protection
Défaut de terre
Type de voyage
Électromagnétique
Type de protection (fuite électrique)
CA, A
Nombre de pôles
2P (1P + N), 4P (3P + N), pôle N à droite
Courant nominal In 16,25,32,40,63A
Courants de sensibilité nominaux I△n
10,30,100,300mA (10mA uniquement pour In=16-25A)
Temps de coupure du courant résiduel sous I△n
≤0,1 s
Pouvoir résiduel nominal de fermeture et de coupure (I△m)
500 A (Entrée ≤ 50 A), 10 In (Entrée > 50 A)
Tension nominale Ue
1P+N : 230/240 V~, 3P+N : 400/415 V~
Fréquence nominale 50/60 Hz
Fusible SCPD
EKL1-63 : 6 000 A
EKL1-63H : 10 000 A
Tension de tenue aux chocs nominale (1,5/50) Uimp 4000V
Tension d'essai diélectrique à fréquence ind. pendant 1 min 2 kV
La vie électrique 2 000 cycles
Durée de vie mécanique 4 000 cycles
Indicateur de position de contact Oui
Degré de protection IP20
Température ambiante
-25℃ à +40℃, humidité max.95%
Type de connexion du terminal
Câble/barre omnibus de type broche/barre omnibus de type fourche
Taille max. du terminal pour le câble
25 mm 2
Couple de serrage max.
2,5 Nm
Installation
Montage sur rail DIN 35 mm
Connexion
De haut en bas

Dimensions

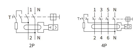
Schéma de circuit

Schéma de circuit RCCB-EKL1-63

 

Taille d'installation

 

RCCB-EKL1-63-Taille

Formulaire de sélection de produits

Pouvoir de coupure Polonais Courant nominal (A) Type de courant alternatif
Sensibilité
30mA 100mA 300mA
6KA 1P+N 16A EKL1-63-1N1630 EKL1-63-1N16100 EKL1-63-1N16300
25A EKL1-63-1N2530 EKL1-63-1N25100 EKL1-63-1N25300
32A EKL1-63-1N3230 EKL1-63-1N32100 EKL1-63-1N32300
40A EKL1-63-1N4030 EKL1-63-1N40100 EKL1-63-1N40300
50A EKL1-63-1N5030 EKL1-63-1N50100 EKL1-63-1N50300
63A EKL1-63-1N6330 EKL1-63-1N63100 EKL1-63-1N63300
3P+N 16A EKL1-63-3N1630 EKL1-63-3N16100 EKL1-63-3N16300
25A EKL1-63-3N2530 EKL1-63-3N25100 EKL1-63-3N25300
32A EKL1-63-3N3230 EKL1-63-3N32100 EKL1-63-3N32300
40A EKL1-63-3N4030 EKL1-63-3N40100 EKL1-63-3N40300
50A EKL1-63-3N5030 EKL1-63-3N50100 EKL1-63-3N50300
63A EKL1-63-3N6330 EKL1-63-3N63100 EKL1-63-3N63300
10KA 1P+N 16A EKL1-63H-1N1630 EKL1-63-1N16100A EKL1-63-1N16300A
25A EKL1-63H-1N2530 EKL1-63H-1N16100 EKL1-63H-1N16300
32A EKL1-63H-1N3230 EKL1-63H-1N25100 EKL1-63H-1N25300
40A EKL1-63H-1N4030 EKL1-63H-1N32100 EKL1-63H-1N32300
50A EKL1-63H-1N5030 EKL1-63H-1N40100 EKL1-63H-1N40300
63A EKL1-63H-1N6330 EKL1-63H-1N50100 EKL1-63H-1N50300
3P+N 16A EKL1-63H-3N1630 EKL1-63H-3N16100 EKL1-63H-3N16300
25A EKL1-63H-3N2530 EKL1-63H-3N25100 EKL1-63H-3N25300
32A EKL1-63H-3N3230 EKL1-63H-3N32100 EKL1-63H-3N32300
40A EKL1-63H-3N4030 EKL1-63H-3N40100 EKL1-63H-3N40300
50A EKL1-63H-3N5030 EKL1-63H-3N50100 EKL1-63H-3N50300
63A EKL1-63H-3N6330 EKL1-63H-3N63100 EKL1-63H-3N63300
Pouvoir de coupure Polonais Courant nominal (A) Type A
Sensibilité
30mA 100mA 300mA
6KA 1P+N 16A EKL1-63-1N1630A EKL1-63-1N16100A EKL1-63-1N16300A
25A EKL1-63-1N2530A EKL1-63-1N25100A EKL1-63-1N25300A
32A EKL1-63-1N3230A EKL1-63-1N32100A EKL1-63-1N32300A
40A EKL1-63-1N4030A EKL1-63-1N40100A EKL1-63-1N40300A
50A EKL1-63-1N5030A EKL1-63-1N50100A EKL1-63-1N50300A
63A EKL1-63-1N6330A EKL1-63-1N63100A EKL1-63-1N63300A
3P+N 16A EKL1-63-3N1630A EKL1-63-3N16100A EKL1-63-3N16300A
25A EKL1-63-3N2530A EKL1-63-3N25100A EKL1-63-3N25300A
32A EKL1-63-3N3230A EKL1-63-3N32100A EKL1-63-3N32300A
40A EKL1-63-3N4030A EKL1-63-3N40100A EKL1-63-3N40300A
50A EKL1-63-3N5030A EKL1-63-3N50100A EKL1-63-3N50300A
63A EKL1-63-3N6330A EKL1-63-3N63100A EKL1-63-3N63300A
10KA 1P+N 16A EKL1-63H-1N1630A EKL1-63H-1N16100A EKL1-63H-1N16300A
25A EKL1-63H-1N2530A EKL1-63H-1N25100A EKL1-63H-1N25300A
32A EKL1-63H-1N3230A EKL1-63H-1N32100A EKL1-63H-1N32300A
40A EKL1-63H-1N4030A EKL1-63H-1N40100A EKL1-63H-1N40300A
50A EKL1-63H-1N5030A EKL1-63H-1N50100A EKL1-63H-1N50300A
63A EKL1-63H-1N6330A EKL1-63H-1N63100A EKL1-63H-1N63300A
3P+N 16A EKL1-63H-3N1630A EKL1-63H-3N16100A EKL1-63H-3N16300A
25A EKL1-63H-3N2530A EKL1-63H-3N25100A EKL1-63H-3N25300A
32A EKL1-63H-3N3230A EKL1-63H-3N32100A EKL1-63H-3N32300A
40A EKL1-63H-3N4030A EKL1-63H-3N40100A EKL1-63H-3N40300A
50A EKL1-63H-3N5030A EKL1-63H-3N50100A EKL1-63H-3N50300A
63A EKL1-63H-3N6330A EKL1-63H-3N63100A EKL1-63H-3N63300A

Télécharger les fichiers

Document actuellement disponible en anglais uniquement.
Type de document
Nom du document
Taille
Catalogue de produits
464.55KB
Certificat de produit
971.22KB

Présentation du produit

Le disjoncteur différentiel EKL1-63 est adapté aux circuits de 50/60 Hz CA. Tension nominale de 240 V pour 1P+N et 415 V pour 3P+N, et courant nominal jusqu'à 63 A. Lorsque des personnes sont soumises à un choc électrique ou que le courant de fuite du réseau électrique dépasse la valeur fixée, ce produit peut couper le courant de défaut en peu de temps afin de protéger les personnes et les équipements. Il peut également être utilisé lors de démarrages peu fréquents du circuit et des moteurs. Le disjoncteur est adapté à l'industrie, au commerce, aux immeubles de grande hauteur, aux ménages et à d'autres types d'endroits. Ce produit est conforme à la norme IEC/EN61008-1.

Caractéristiques:
  • Pouvoir de coupure élevé : disponible en options 6 kA et 10 kA, offrant une flexibilité pour différents besoins d'application.

  • Plage de courant polyvalente : prend en charge des courants nominaux de 16 A à 63 A, s'adaptant à diverses configurations électriques.

  • Plusieurs options de configuration : proposées dans des configurations 1P+N, 3P+N pour diverses exigences d'installation.

  • Conformité IEC 61008-1 : Conforme aux normes internationales relatives aux disjoncteurs différentiels, garantissant des performances fiables.

  • Détection efficace des fuites : protège contre les courants de fuite dangereux, améliorant ainsi la sécurité électrique globale.

  • Construction robuste : fabriqué à partir de matériaux de haute qualité pour une durabilité et une fiabilité à long terme.

  • Installation simple : Conçu pour une intégration facile dans les systèmes électriques existants avec un montage simple.

  • Affichage clair des indicateurs : Comprend des indicateurs marche/arrêt et de déclenchement visibles pour une surveillance efficace et un diagnostic rapide des pannes.

  • Protection complète : offre une protection améliorée contre les surcharges et les courts-circuits lorsqu'il est utilisé avec un MCB.


Applications :
  • Installations électriques résidentielles

  • Bâtiments commerciaux et de bureaux

  • Installations industrielles et sites de fabrication

  • Bâtiments du secteur public (écoles, hôpitaux, etc.)

  • Points de vente et centres commerciaux

  • Lieux d'accueil tels que hôtels et complexes hôteliers

  • Infrastructures informatiques et centres de données

  • Systèmes d'énergie renouvelable


Le disjoncteur différentiel EKL1-63 d'ETEK Electric est conçu pour répondre aux normes de sécurité les plus strictes, offrant une protection fiable pour les personnes et les équipements. En choisissant l'EKL1-63, vous investissez dans une solution de protection de circuit de haute qualité qui garantit la sécurité et l'efficacité de vos systèmes électriques. Idéal pour les nouvelles installations et les mises à niveau, le disjoncteur différentiel EKL1-63 est un choix de confiance pour les besoins de sécurité électrique modernes.

Paramètres techniques

Télécharger les fichiers

Envoyer une demande

Entrer en contact

Captcha Code
×
Nous respectons votre vie privée
Nous utilisons des cookies pour vous offrir une meilleure expérience en ligne, analyser et mesurer l'utilisation du site Web et aider dans nos efforts de marketing.
Accepter tout