Select country or region
ETEK Global website
Français
×
EKU5-T1+T2-40PV-DC-SPD
EKU5-T1+T2-40PV-DC-SPD
EKU5-T1+T2-40PV-DC-SPD
EKU5-T1+T2-40PV-DC-SPD
EKU5-T1+T2-40PV-DC-SPD
EKU5-T1+T2-40PV-DC-SPD
EKU5-T1+T2-40PV-DC-SPD

Parasurtenseur CC EKU5 Type 1+2, Imax 40 kA, SPD CC de classe I+II 500 V, 1 000 V, 1 500 V

Le dispositif de protection contre les surtensions photovoltaïques (SPD) à trois modules ETEK EKU5 de type 1+2 (avec dispositif de commutation CC à trois étapes) est doté d'une indication visuelle et d'une signalisation de contact à distance en option (contact de commutation flottant) pour une utilisation dans les systèmes PV.

● Norme : IEC/EN 61643-31
● Surtension nominale : Iimp=6,25 kA (10/350 µs), Imax=40 kA (8/20 µs)
● Catégorie IEC/EN : Classe I+II / Type 1+2
● Tension de service continue max. (Ucpv) : 500, 1000, 1500 V
● Boîtier : conception enfichable

Parasurtenseur CC EKU5 Type 1+2, Imax 40 kA, SPD CC de classe I+II 500 V, 1 000 V, 1 500 V

Renseignez-vous maintenant PDF

Présentation du produit

La série de parasurtenseurs CC EKU5 T1+T2 est conçue pour être utilisée dans les applications photovoltaïques (PV) jusqu'à 1 500 V. Ces dispositifs de protection contre les surtensions (SPD) sont conformes à la classification PV T1+T2 décrite dans la norme IEC 61643-31. La fenêtre d'indication avant permet aux utilisateurs de connaître l'état de l'appareil et le port de signal à distance peut fournir une indication et une alarme à distance. De plus, la conception du module enfichable facilite la maintenance et le remplacement ultérieurs.

Paramètres techniques

Données techniques

Nombre de pôles 3P
Lieu d'utilisation Coffret de chaîne, onduleur
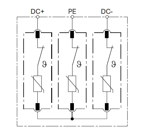
Mode de protection (CC+)-PE,(CC-)-PE,(CC+)-(CC-)
Éléments de protection MOV à haute énergie
Tension continue maximale de fonctionnement continu UCVP 500 V 1000V 1500V
Courant de décharge nominal (8/20μs) Dans 20 kA
Courant de décharge d'impulsion (10/350μs) Je suis imp 6,25 kA
Courant de décharge total (10/350μs) Total 12,5 kA
Courant de décharge total (8/20μs) Total 40 kA
Courant de décharge maximal (8/20μs) Imax 40 kA
Niveau de protection de tension (DC+)-PE, (DC-)-PE En haut 2 kV 4,0 kV 5,2 kV
Niveau de protection de tension (DC+)-(DC-) En haut / 4,0 kV 5,2 kV
Temps de réponse tA ≤ 25 ns
Plage de température de fonctionnement Tu -40℃ à +80℃
Indication de l'état de fonctionnement/défaut Vert/Rouge
Section transversale (Min.)/(Max.) 4 mm²/35 mm²
Montage Rail DIN 35 mm, EN 60715
Matériau de l'enceinte Plastique thermique UL94-V0
Degré de protection IP20 (intégré)

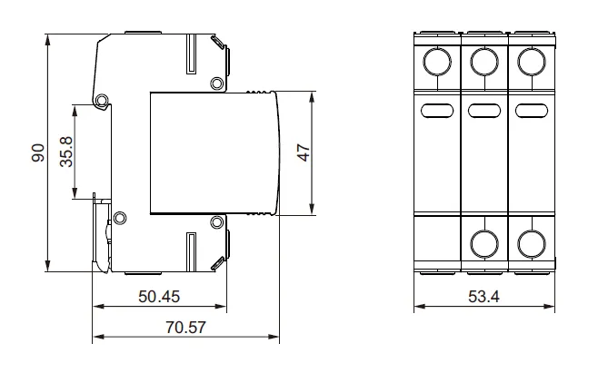
Dimensions

Schéma de circuit de base


Taille d'installation

Formulaire de sélection de produits

Nombre de pôles Tension continue de fonctionnement max.
500V
1000V 1500V
3Module
EKU5-T1+T2-40PV-3M500
EKU5-T1+T2-40PV-3M1000 EKU5-T1+T2-40PV-3M1500
Avec signalisation à distance  
3Module
EKU5-T1+T2-40PV-3M500S
EKU5-T1+T2-40PV-3M1000S EKU5-T1+T2-40PV-3M1500S

 

Télécharger les fichiers

Document actuellement disponible en anglais uniquement.

Présentation du produit

La série de parasurtenseurs CC EKU5 T1+T2 est conçue pour être utilisée dans les applications photovoltaïques (PV) jusqu'à 1 500 V. Ces dispositifs de protection contre les surtensions (SPD) sont conformes à la classification PV T1+T2 décrite dans la norme IEC 61643-31. La fenêtre d'indication avant permet aux utilisateurs de connaître l'état de l'appareil et le port de signal à distance peut fournir une indication et une alarme à distance. De plus, la conception du module enfichable facilite la maintenance et le remplacement ultérieurs.

Paramètres techniques

Télécharger les fichiers

Envoyer une demande

Entrer en contact

Captcha Code
×
Nous respectons votre vie privée
Nous utilisons des cookies pour vous offrir une meilleure expérience en ligne, analyser et mesurer l'utilisation du site Web et aider dans nos efforts de marketing.
Accepter tout