Select country or region
ETEK Global website
Français
×
EKU5-T2-20kA-AC-SPD
EKU5-T2-20kA-AC-SPD
EKU5-T2-20kA-AC-SPD
EKU5-T2-20kA-AC-SPD
EKU5-T2-20kA-AC-SPD
EKU5-T2-20kA-AC-SPD
EKU5-T2-20kA-AC-SPD

Parasurtenseur CA de type 2 EKU5, Imax 20 kA, SPD CA de classe II

EKU5-T2-20 est un disjoncteur différentiel de type 2, le produit prend également en charge la signalisation à distance. Cette série est une technologie de déclenchement et de coupure innovante. La tension de fonctionnement continue maximale atteint 440 V, le courant de décharge maximal atteint 20 kA.

● Norme : IEC/EN 61643-11
● Surtension nominale : Imax=20kA (8/20 µs)
● Catégorie IEC/EN : Type 2/Classe II
● Tension de service continue max. : 150, 275, 320, 385, 440 V
● Boîtier : conception enfichable

Parasurtenseur CA de type 2 EKU5, Imax 20 kA, SPD CA de classe II

Renseignez-vous maintenant PDF

Présentation du produit

Les dispositifs de protection contre les surtensions modulaires de type 2 EKU5-T2-20 offrent une protection aux équipements connectés à des alimentations CA basse tension, en les protégeant contre les surtensions transitoires causées par la foudre locale ou la commutation de charges électriques inductives ou capacitives. Ils sont disponibles avec des bases de connexion à montage sur rail DIN en 1, 2, 3 ou 4 modules, ce qui permet un branchement facile des modules de protection contre les surtensions choisis.

Paramètres techniques

Données techniques

Tableau 1
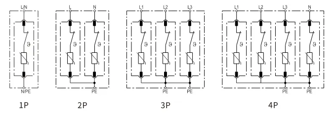
Nombre de pôles 1P 2P 3P 4P 1P+NPE 3P+NPE
Systèmes de réseau TN-S, TN-C, TT (uniquement LN) TN-S TN-C TN-S TT, TN-S
Mode de protection L-PE, N-PE (uniquement TN-S), L-PEN, LN PE-L, PE-N Stylo L PE-L, PE-N LN, N-PE
Éléments de protection MOV à haute énergie MOV et GDT à haute énergie

Tableau 2
Tension maximale de service continu (LN) UC 150 V 275 V 320V 385V 440V
Tension maximale de service continu (N-PE) UC 255 V
Courant de décharge nominal (8/20μs) (LN)/(N-PE) Dans 10 kA
Courant de décharge maximal (8/20μs) (LN)/(N-PE) Imax 20 kA
Niveau de protection de tension (LN)/(N-PE) En haut 0,8 kV/1,5 kV 1,0 kV/1,5 kV 1,2 kV/1,5 kV 1,45 kV/1,5 kV 1,6 kV/1,5 kV
Niveau de protection de tension 5 kA En haut 0,5 kV 0,8 kV 1,0 kV 1,2 kV 1,4 kV
Temps de réponse (LN)/(N-PE) tA ≤25ns/≤100ns
Plage de température de fonctionnement Tu -40℃ à +80℃
Fusible de secours max. 125 gL/gG
Indication de l'état de fonctionnement/défaut Vert/Rouge (LN), Jaune (N-PE)
Section transversale (Min.)/(Max.) 4 mm²/35 mm²
Montage Rail DIN 35 mm, EN 60715
Matériau de l'enceinte Plastique thermique UL94-V0
Degré de protection IP20 (intégré)

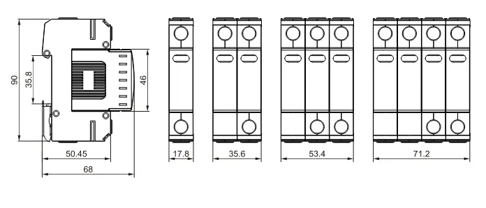
Dimensions

Schéma de circuit de base


Taille d'installation

Formulaire de sélection de produits

 

Nombre de pôles Tension CA max. de fonctionnement continu
150V 275V 320V 385V 440V

1P

EKU5-T2-20-1P150

EKU5-T2-20-1P275

EKU5-T2-20-1P320

EKU5-T2-20-1P385

EKU5-T2-20-1P440

2P

EKU5-T2-20-2P150

EKU5-T2-20-2P275

EKU5-T2-20-2P320

EKU5-T2-20-2P385

EKU5-T2-20-2P440

3P

EKU5-T2-20-3P150

EKU5-T2-20-3P275

EKU5-T2-20-3P320

EKU5-T2-20-3P385

EKU5-T2-20-3P440

4P

EKU5-T2-20-4P150

EKU5-T2-20-4P275

EKU5-T2-20-4P320

EKU5-T2-20-4P385

EKU5-T2-20-4P440

1P+NPE

EKU5-T2-20-1PN150

EKU5-T2-20-1PN275

EKU5-T2-20-1PN320

EKU5-T2-20-1PN385

EKU5-T2-20-1PN440

3P+NPE

EKU5-T2-20-3PN150

EKU5-T2-20-3PN275

EKU5-T2-20-3PN320

EKU5-T2-20-3PN385

EKU5-T2-20-3PN440

Avec signalisation à distance

1P

EKU5-T2-20-1P150S

EKU5-T2-20-1P275S

EKU5-T2-20-1P320S

EKU5-T2-20-1P385S

EKU5-T2-20-1P440S

2P

EKU5-T2-20-2P150S

EKU5-T2-20-2P275S

EKU5-T2-20-2P320S

EKU5-T2-20-2P385S

EKU5-T2-20-2P440S

3P

EKU5-T2-20-3P150S

EKU5-T2-20-3P275S

EKU5-T2-20-3P320S

EKU5-T2-20-3P385S

EKU5-T2-20-3P440S

4P

EKU5-T2-20-4P150S

EKU5-T2-20-4P275S

EKU5-T2-20-4P320S

EKU5-T2-20-4P385S

EKU5-T2-20-4P440S

1P+NPE

EKU5-T2-20-1PN150S

EKU5-T2-20-1PN275S

EKU5-T2-20-1PN320S

EKU5-T2-20-1PN385S

EKU5-T2-20-1PN440S

3P+NPE

EKU5-T2-20-3PN150S

EKU5-T2-20-3PN275S

EKU5-T2-20-3PN320S

EKU5-T2-20-3PN385S

EKU5-T2-20-3PN440S

Télécharger les fichiers

Document actuellement disponible en anglais uniquement.

Présentation du produit

Les dispositifs de protection contre les surtensions modulaires de type 2 EKU5-T2-20 offrent une protection aux équipements connectés à des alimentations CA basse tension, en les protégeant contre les surtensions transitoires causées par la foudre locale ou la commutation de charges électriques inductives ou capacitives. Ils sont disponibles avec des bases de connexion à montage sur rail DIN en 1, 2, 3 ou 4 modules, ce qui permet un branchement facile des modules de protection contre les surtensions choisis.

Paramètres techniques

Télécharger les fichiers

Envoyer une demande

Entrer en contact

Captcha Code
×
Nous respectons votre vie privée
Nous utilisons des cookies pour vous offrir une meilleure expérience en ligne, analyser et mesurer l'utilisation du site Web et aider dans nos efforts de marketing.
Accepter tout