- ACCUEIL
-
Produits
- Dispositifs de protection électrique
- Disjoncteur miniature
- RCCB
- RCBO
- Protection contre les défauts d'arc
- Accessoires MCB
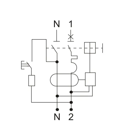
- Contacteur modulaire
- Protecteurs De Surtension
- Appareils intelligents IoT
- Boîte de distribution
- Transformateur de sonnette et sonnette électrique
- Interrupteur de commutation
- Base de fusible modulaire et fusible de liaison
- Voltmètre numérique modulaire
- Lampe de signalisation modulaire
- Prise modulaire
- Relais à impulsions
- Interrupteur horaire
- Dispositifs de contrôle électrique
- Dispositifs de disjoncteurs industriels
- Solution de chargeur pour véhicule électrique
- Appareils électriques à énergie solaire
- Dispositifs de protection électrique
- Soutien
- Blog
- À PROPOS DE ETEK
- NOUS CONTACTER








