Select country or region
ETEK Global website
Français
×
EKC1 Mini Contactor
EKC1 Mini Contactor
EKC1 Mini Contactor

Mini contacteur magnétique AC EKC1

Les contacteurs CA sont utilisés pour connecter/déconnecter la ligne et pour contrôler fréquemment les moteurs et autres équipements. Il contrôle le courant élevé avec un courant faible et joue un certain rôle dans la protection contre les surcharges lors du fonctionnement avec le relais thermique.

Mini contacteur magnétique AC EKC1

Renseignez-vous maintenant PDF

Présentation du produit

Description

Les mini-contacteurs sont idéaux pour les applications à usage général où la petite taille et le coût sont des préoccupations majeures. Ils peuvent être utilisés dans des applications modulaires et compactes spéciales. Les petites dimensions offrent aux clients une grande flexibilité d'utilisation pour les applications jusqu'à 20 A de charges résistives et les charges de moteur jusqu'à 5,5 kW. (En général) Ils dissipent moins de chaleur et certains modèles à faible consommation de bobine peuvent être actionnés directement à partir de l'automate. Un mini-contacteur peut être monté sur un rail DIN ou sur un mur. Leurs options d'accessoires sont limitées. Vous pouvez les utiliser sur de petites machines, des portes automatiques, des appareils de cuisine industriels et des machines de nettoyage.

Application circuits de fermeture et de coupure à distance
protéger le circuit contre les surcharges lors de l'assemblage avec un relais de surcharge thermique
démarrage fréquent et contrôle du contacteur AC
Valeur électrique CA 50/60 Hz, 690 V, jusqu'à 12 A
Catégorie d'utilisation AC-3, AC-4
Altitude ≤2000m
Température ambiante -5℃~+40℃
Catégorie de montage III
Conditions de montage l'inclinaison entre le plan de montage et le plan vertical ne doit pas dépasser ±5°
Standard CEI/EN 60947-4-1. CEI/EN 60947-5-1.
Tension de la bobine de contrôle
Fonctionnement de la bobine CA Volts (VCA) 24 36 42 48 110 127 220 230 240 380 415 440 480 500 600
Code 50 Hz B5 C5 D5 E5 F5 G5 M5 P5 U5 Q5 N5 R5 - S5 Y5
60 Hz B6 - D6 E6 F6 G6 M6 - U6 Q6 - R6 T6 - -
50/60 Hz B7 - D7 E7 F7 - M7 P7 - Q7 N7 R7 - - -
Fonctionnement de la bobine CC Volts (VCC) 12 24 36 48 110 220
Code JD BD CD ED FD MARYLAND

Désignation du type

Paramètres techniques

Données techniques

Spécifications techniques
Standard CEI/EN60947-4-1 CEI/EN60947-5-1
Modèle n° EKC1-09M EKC1-12M
Courant nominal de chauffage conventionnel Ith(A) 20 20
Tension nominale Ui(V) Interface utilisateur (V) 690 690
Courant de fonctionnement nominal AC-3 Ie(A) 9 12
Ue=380/415V AC-4 Ie(A) 3.5 5
Moteur à cage triphasé à commande de puissance AC-3 220/240V KW 2.2 3
380/415V KW 4 5.5
660/690V KW 5.5 7.5
Durée de vie électrique (x103 opérations) AC-3 1000 1000
AC-4 200 200
Durée de vie mécanique (x106 opérations) 10 10
Fusible assorti Taille RT16-00 RT16-00
UN 20 20
Circuit principal 3P ou 4P
Circuit auxiliaire Cat.:AC-15, Ue=415V Ie=0.95A Ith=10A 1NO ou 1NC

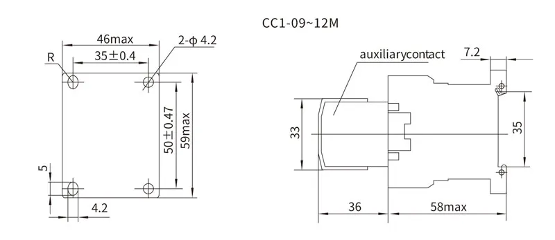
Dimensions

Formulaire de sélection de produits

Reference No. Specification
EKC1-0910M-24 Mini Contactor 4KW AC3 9A 3P+1NO Coil 24VAC
EKC1-0910M-42 Mini Contactor 4KW AC3 9A 3P+1NO Coil 42VAC
EKC1-0910M-48 Mini Contactor 4KW AC3 9A 3P+1NO Coil 48VAC
EKC1-0910M-110 Mini Contactor 4KW AC3 9A 3P+1NO Coil 110VAC
EKC1-0910M-220 Mini Contactor 4KW AC3 9A 3P+1NO Coil 220VAC
EKC1-0910M-230 Mini Contactor 4KW AC3 9A 3P+1NO Coil 230VAC
EKC1-0910M-240 Mini Contactor 4KW AC3 9A 3P+1NO Coil 240VAC
EKC1-0910M-380 Mini Contactor 4KW AC3 9A 3P+1NO Coil 380VAC
EKC1-0910M-415 Mini Contactor 4KW AC3 9A 3P+1NO Coil 415VAC
EKC1-0901M-24 Mini Contactor 4KW AC3 9A 3P+1NC Coil 24VAC
EKC1-0901M-42 Mini Contactor 4KW AC3 9A 3P+1NC Coil 42VAC
EKC1-0901M-48 Mini Contactor 4KW AC3 9A 3P+1NC Coil 48VAC
EKC1-0901M-110 Mini Contactor 4KW AC3 9A 3P+1NC Coil 110VAC
EKC1-0901M-220 Mini Contactor 4KW AC3 9A 3P+1NC Coil 220VAC
EKC1-0901M-230 Mini Contactor 4KW AC3 9A 3P+1NC Coil 230VAC
EKC1-0901M-240 Mini Contactor 4KW AC3 9A 3P+1NC Coil 240VAC
EKC1-0901M-380 Mini Contactor 4KW AC3 9A 3P+1NC Coil 380VAC
EKC1-0901M-415 Mini Contactor 4KW AC3 9A 3P+1NC Coil 415VAC
EKC1-1210M-24 Mini Contactor 5.5KW AC3 12A 3P+1NO Coil 24VAC
EKC1-1210M-42 Mini Contactor 5.5KW AC3 12A 3P+1NO Coil 42VAC
EKC1-1210M-48 Mini Contactor 5.5KW AC3 12A 3P+1NO Coil 48VAC
EKC1-1210M-110 Mini Contactor 5.5KW AC3 12A 3P+1NO Coil 110VAC
EKC1-1210M-220 Mini Contactor 5.5KW AC3 12A 3P+1NO Coil 220VAC
EKC1-1210M-230 Mini Contactor 5.5KW AC3 12A 3P+1NO Coil 230VAC
EKC1-1210M-240 Mini Contactor 5.5KW AC3 12A 3P+1NO Coil 240VAC
EKC1-1210M-380 Mini Contactor 5.5KW AC3 12A 3P+1NO Coil 380VAC
EKC1-1210M-415 Mini Contactor 5.5KW AC3 12A 3P+1NO Coil 415VAC
EKC1-1201M-24 Mini Contactor 5.5KW AC3 12A 3P+1NC Coil 24VAC
EKC1-1201M-42 Mini Contactor 5.5KW AC3 12A 3P+1NC Coil 42VAC
EKC1-1201M-48 Mini Contactor 5.5KW AC3 12A 3P+1NC Coil 48VAC
EKC1-1201M-110 Mini Contactor 5.5KW AC3 12A 3P+1NC Coil 110VAC
EKC1-1201M-220 Mini Contactor 5.5KW AC3 12A 3P+1NC Coil 220VAC
EKC1-1201M-230 Mini Contactor 5.5KW AC3 12A 3P+1NC Coil 230VAC
EKC1-1201M-240 Mini Contactor 5.5KW AC3 12A 3P+1NC Coil 240VAC
EKC1-1201M-380 Mini Contactor 5.5KW AC3 12A 3P+1NC Coil 380VAC
EKC1-1201M-415 Mini Contactor 5.5KW AC3 12A 3P+1NC Coil 415VAC
EKC1-0910MZ-12 Mini Contactor 4KW AC3 9A 3P+1NO Coil 12VDC
EKC1-0910MZ-24 Mini Contactor 4KW AC3 9A 3P+1NO Coil 24VDC
EKC1-0910MZ-36 Mini Contactor 4KW AC3 9A 3P+1NO Coil 36VDC
EKC1-0910MZ-48 Mini Contactor 4KW AC3 9A 3P+1NO Coil 48VDC
EKC1-0910MZ-110 Mini Contactor 4KW AC3 9A 3P+1NO Coil 110VDC
EKC1-0910MZ-220 Mini Contactor 4KW AC3 9A 3P+1NO Coil 220VDC
EKC1-0901MZ-12 Mini Contactor 4KW AC3 9A 3P+1NC Coil 12VDC
EKC1-0901MZ-24 Mini Contactor 4KW AC3 9A 3P+1NC Coil 24VDC
EKC1-0901MZ-36 Mini Contactor 4KW AC3 9A 3P+1NC Coil 36VDC
EKC1-0901MZ-48 Mini Contactor 4KW AC3 9A 3P+1NC Coil 48VDC
EKC1-0901MZ-110 Mini Contactor 4KW AC3 9A 3P+1NC Coil 110VDC
EKC1-0901MZ-220 Mini Contactor 4KW AC3 9A 3P+1NC Coil 220VDC
EKC1-1210MZ-12 Mini Contactor 5.5KW AC3 12A 3P+1NO Coil 12VDC
EKC1-1210MZ-24 Mini Contactor 5.5KW AC3 12A 3P+1NO Coil 24VDC
EKC1-1210MZ-36 Mini Contactor 5.5KW AC3 12A 3P+1NO Coil 36VDC
EKC1-1210MZ-48 Mini Contactor 5.5KW AC3 12A 3P+1NO Coil 48VDC
EKC1-1210MZ-110 Mini Contactor 5.5KW AC3 12A 3P+1NO Coil 110VDC
EKC1-1210MZ-220 Mini Contactor 5.5KW AC3 12A 3P+1NO Coil 220VDC
EKC1-1201MZ-12 Mini Contactor 5.5KW AC3 12A 3P+1NC Coil 12VDC
EKC1-1201MZ-24 Mini Contactor 5.5KW AC3 12A 3P+1NC Coil 24VDC
EKC1-1201MZ-36 Mini Contactor 5.5KW AC3 12A 3P+1NC Coil 36VDC
EKC1-1201MZ-48 Mini Contactor 5.5KW AC3 12A 3P+1NC Coil 48VDC
EKC1-1201MZ-110 Mini Contactor 5.5KW AC3 12A 3P+1NC Coil 110VDC
EKC1-1201MZ-220 Mini Contactor 5.5KW AC3 12A 3P+1NC Coil 220VDC
EKC1-0904M-24 Mini Contactor 4KW AC3 9A 4P 4NO Coil 24VAC
EKC1-0904M-42 Mini Contactor 4KW AC3 9A 4P 4NO Coil 42VAC
EKC1-0904M-48 Mini Contactor 4KW AC3 9A 4P 4NO Coil 48VAC
EKC1-0904M-110 Mini Contactor 4KW AC3 9A 4P 4NO Coil 110VAC
EKC1-0904M-220 Mini Contactor 4KW AC3 9A 4P 4NO Coil 220VAC
EKC1-0904M-230 Mini Contactor 4KW AC3 9A 4P 4NO Coil 230VAC
EKC1-0904M-240 Mini Contactor 4KW AC3 9A 4P 4NO Coil 240VAC
EKC1-0904M-380 Mini Contactor 4KW AC3 9A 4P 4NO Coil 380VAC
EKC1-0904M-415 Mini Contactor 4KW AC3 9A 4P 4NO Coil 415VAC
EKC1-1204M-24 Mini Contactor 5.5KW AC3 12A 4P 4NO Coil 24VAC
EKC1-1204M-42 Mini Contactor 5.5KW AC3 12A 4P 4NO Coil 42VAC
EKC1-1204M-48 Mini Contactor 5.5KW AC3 12A 4P 4NO Coil 48VAC
EKC1-1204M-110 Mini Contactor 5.5KW AC3 12A 4P 4NO Coil 110VAC
EKC1-1204M-220 Mini Contactor 5.5KW AC3 12A 4P 4NO Coil 220VAC
EKC1-1204M-230 Mini Contactor 5.5KW AC3 12A 4P 4NO Coil 230VAC
EKC1-1204M-240 Mini Contactor 5.5KW AC3 12A 4P 4NO Coil 240VAC
EKC1-1204M-380 Mini Contactor 5.5KW AC3 12A 4P 4NO Coil 380VAC
EKC1-1204M-415 Mini Contactor 5.5KW AC3 12A 4P 4NO Coil 415VAC
EKC1-0904MZ-12 Mini Contactor 4KW AC3 9A 4P 4NO Coil 12VDC
EKC1-0904MZ-24 Mini Contactor 4KW AC3 9A 4P 4NO Coil 24VDC
EKC1-0904MZ-36 Mini Contactor 4KW AC3 9A 4P 4NO Coil 36VDC
EKC1-0904MZ-48 Mini Contactor 4KW AC3 9A 4P 4NO Coil 48VDC
EKC1-0904MZ-110 Mini Contactor 4KW AC3 9A 4P 4NO Coil 110VDC
EKC1-0904MZ-220 Mini Contactor 4KW AC3 9A 4P 4NO Coil 220VDC
EKC1-1204MZ-12 Mini Contactor 5.5KW AC3 12A 4P 4NO Coil 12VDC
EKC1-1204MZ-24 Mini Contactor 5.5KW AC3 12A 4P 4NO Coil 24VDC
EKC1-1204MZ-36 Mini Contactor 5.5KW AC3 12A 4P 4NO Coil 36VDC
EKC1-1204MZ-48 Mini Contactor 5.5KW AC3 12A 4P 4NO Coil 48VDC
EKC1-1204MZ-110 Mini Contactor 5.5KW AC3 12A 4P 4NO Coil 110VDC
EKC1-1204MZ-220 Mini Contactor 5.5KW AC3 12A 4P 4NO Coil 220VDC

Télécharger les fichiers

Document actuellement disponible en anglais uniquement.

Présentation du produit

Description

Les mini-contacteurs sont idéaux pour les applications à usage général où la petite taille et le coût sont des préoccupations majeures. Ils peuvent être utilisés dans des applications modulaires et compactes spéciales. Les petites dimensions offrent aux clients une grande flexibilité d'utilisation pour les applications jusqu'à 20 A de charges résistives et les charges de moteur jusqu'à 5,5 kW. (En général) Ils dissipent moins de chaleur et certains modèles à faible consommation de bobine peuvent être actionnés directement à partir de l'automate. Un mini-contacteur peut être monté sur un rail DIN ou sur un mur. Leurs options d'accessoires sont limitées. Vous pouvez les utiliser sur de petites machines, des portes automatiques, des appareils de cuisine industriels et des machines de nettoyage.

Application circuits de fermeture et de coupure à distance
protéger le circuit contre les surcharges lors de l'assemblage avec un relais de surcharge thermique
démarrage fréquent et contrôle du contacteur AC
Valeur électrique CA 50/60 Hz, 690 V, jusqu'à 12 A
Catégorie d'utilisation AC-3, AC-4
Altitude ≤2000m
Température ambiante -5℃~+40℃
Catégorie de montage III
Conditions de montage l'inclinaison entre le plan de montage et le plan vertical ne doit pas dépasser ±5°
Standard CEI/EN 60947-4-1. CEI/EN 60947-5-1.
Tension de la bobine de contrôle
Fonctionnement de la bobine CA Volts (VCA) 24 36 42 48 110 127 220 230 240 380 415 440 480 500 600
Code 50 Hz B5 C5 D5 E5 F5 G5 M5 P5 U5 Q5 N5 R5 - S5 Y5
60 Hz B6 - D6 E6 F6 G6 M6 - U6 Q6 - R6 T6 - -
50/60 Hz B7 - D7 E7 F7 - M7 P7 - Q7 N7 R7 - - -
Fonctionnement de la bobine CC Volts (VCC) 12 24 36 48 110 220
Code JD BD CD ED FD MARYLAND

Désignation du type

Paramètres techniques

Télécharger les fichiers

Envoyer une demande

Entrer en contact

Captcha Code
×
Nous respectons votre vie privée
Nous utilisons des cookies pour vous offrir une meilleure expérience en ligne, analyser et mesurer l'utilisation du site Web et aider dans nos efforts de marketing.
Accepter tout