Select country or region
ETEK Global website
Français
×
EKR8-7 Phase Failure Protection Relay
EKR8-7 Phase Failure Protection Relay
EKR8-7 Phase Failure Protection Relay
EKR8-7 Phase Failure Protection Relay
EKR8-7 Phase Failure Protection Relay

Relais de surveillance de tension triphasé EKR8-7 Protection contre les défaillances de phase de séquence de phase

Le relais de protection de tension utilise un processeur à grande vitesse et à faible consommation comme cœur. Lorsque la ligne d'alimentation présente une surtension, une sous-tension ou une défaillance de phase, une inversion de phase, le relais coupe le circuit rapidement et en toute sécurité pour éviter les accidents causés par une tension anormale envoyée à l'appareil terminal.

Relais de surveillance de tension triphasé EKR8-7 Protection contre les défaillances de phase de séquence de phase

Renseignez-vous maintenant PDF

Présentation du produit

Le relais de protection de tension utilise un processeur à grande vitesse et à faible consommation comme cœur. Lorsque la ligne d'alimentation présente une surtension, une sous-tension ou une défaillance de phase, une inversion de phase, le relais coupe le circuit rapidement et en toute sécurité pour éviter les accidents causés par une tension anormale envoyée à l'appareil terminal.

1. Surveillance pratique : le relais de tension peut surveiller sa propre tension de fonctionnement (mesure efficace vraie).
2. Application : Protection et contrôle des équipements (grues à tour, ascenseurs, équipements agricoles, camions frigorifiques) ; prévention du fonctionnement inverse des équipements ; interrupteur d'alimentation normal/d'urgence ; prévention des défaillances de phase des charges dynamiques.
3. Indicateur LED : L'état de fonctionnement du relais de contrôle de tension est indiqué par l'indicateur LED.
4. Petite taille et facile à installer : le relais de protection de tension est ultra-petit et peut être monté sur un rail DIN de 35 mm.

Paramètres techniques

Données techniques

Données techniques
EKR8-7110H11
Type de surveillance
Triphasé Trois fils
Caractéristiques de sortie
SPDT
Délai de temporisation
3S
Défaillance de phase
Tension de fonctionnement
Large gamme de tension : 220-480 V CA
Fréquence
50/60 Hz
Temps de réponse du relais
0,5 S
Contacter Notation
CA-15:3A/250VAC
Température ambiante
-10°C~+55°C
Erreur de tension
⼠2% max.
Erreur de température
⼠2% max.

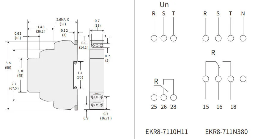
Dimensions

Télécharger les fichiers

Document actuellement disponible en anglais uniquement.

Présentation du produit

Le relais de protection de tension utilise un processeur à grande vitesse et à faible consommation comme cœur. Lorsque la ligne d'alimentation présente une surtension, une sous-tension ou une défaillance de phase, une inversion de phase, le relais coupe le circuit rapidement et en toute sécurité pour éviter les accidents causés par une tension anormale envoyée à l'appareil terminal.

1. Surveillance pratique : le relais de tension peut surveiller sa propre tension de fonctionnement (mesure efficace vraie).
2. Application : Protection et contrôle des équipements (grues à tour, ascenseurs, équipements agricoles, camions frigorifiques) ; prévention du fonctionnement inverse des équipements ; interrupteur d'alimentation normal/d'urgence ; prévention des défaillances de phase des charges dynamiques.
3. Indicateur LED : L'état de fonctionnement du relais de contrôle de tension est indiqué par l'indicateur LED.
4. Petite taille et facile à installer : le relais de protection de tension est ultra-petit et peut être monté sur un rail DIN de 35 mm.

Paramètres techniques

Télécharger les fichiers

Envoyer une demande

Entrer en contact

Captcha Code
×
Nous respectons votre vie privée
Nous utilisons des cookies pour vous offrir une meilleure expérience en ligne, analyser et mesurer l'utilisation du site Web et aider dans nos efforts de marketing.
Accepter tout