Select country or region
ETEK Global website
Français
×
EKR8-7 Three-phase Three-wire Voltage Protection Relay
EKR8-7 Three-phase Three-wire Voltage Protection Relay
EKR8-7 Three-phase Three-wire Voltage Protection Relay
EKR8-7 Three-phase Three-wire Voltage Protection Relay
EKR8-7 Three-phase Three-wire Voltage Protection Relay
EKR8-7 Three-phase Three-wire Voltage Protection Relay
EKR8-7 Three-phase Three-wire Voltage Protection Relay

Relais de protection de tension triphasé à trois fils EKR8-7

Le relais de protection de tension utilise un processeur à grande vitesse et à faible consommation comme cœur. Lorsque la ligne d'alimentation présente une surtension, une sous-tension ou une défaillance de phase, une inversion de phase, le relais coupe le circuit rapidement et en toute sécurité pour éviter les accidents causés par une tension anormale envoyée à l'appareil terminal.

Relais de protection de tension triphasé à trois fils EKR8-7

Renseignez-vous maintenant PDF

Présentation du produit

Le relais de protection de tension utilise un processeur à grande vitesse et à faible consommation comme cœur. Lorsque la ligne d'alimentation présente une surtension, une sous-tension ou une défaillance de phase, une inversion de phase, le relais coupe le circuit rapidement et en toute sécurité pour éviter les accidents causés par une tension anormale envoyée à l'appareil terminal.

1. Le produit dispose de fonctions de protection : coupure de phase, décalage de phase, tension déséquilibrée, coupure de ligne zéro.
2. Surveillance en temps réel des défauts de décalage de phase, d'absence de phase et de déséquilibre de tension dans un circuit triphasé à trois fils.
3. Moniteur de tension, le produit améliore les performances anti-interférences du convertisseur de fréquence et les performances sont plus stables.
4. Relais de surveillance de tension, le protecteur de séquence de phase adopte une structure modulaire standard et une installation sur rail
5. Relais de protection de séquence de phase, le produit dispose de deux voyants lumineux indiquant diverses conditions de fonctionnement.

Paramètres techniques

Données techniques

Données techniques
 
EKR8-7010
EKR8-7210
EKR8-7310
Type de surveillance
Triphasé
Caractéristiques de sortie
SPDT
Surtension
15%
0-20% 0-20%
Sous tension
15%
0-20% 0-20%
Délai de temporisation
3S 3S 0,1-10S
Séquence de phases
Défaillance de phase
Tension de fonctionnement
CA 220 V, 380 V, 400 V, 415 V, 440 V
Fréquence
50/60 Hz
Temps de réponse du relais
0,5 S
Contacter Notation
CA-15:3A/250VAC
Température ambiante
-10°C~+55°C
Erreur de tension
⼟2% Max
Erreur de température
⼟2% Max

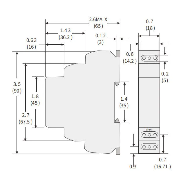
Dimensions

Dimension

Diagramme de Wring

 

Formulaire de sélection de produits

EKR8-7010110

Relais de protection de tension 0 bouton SPDT triphasé 110 VCA

EKR8-7010220

Relais de protection de tension 0 bouton SPDT triphasé 220 VCA

EKR8-7010380

Relais de protection de tension 0 bouton SPDT triphasé 380 VCA

EKR8-7010400

Relais de protection de tension 0 bouton SPDT triphasé 400 VCA

EKR8-7010415

Relais de protection de tension 0 bouton SPDT triphasé 415 VCA

EKR8-7010440

Relais de protection de tension 0 bouton SPDT triphasé 440 VCA

EKR8-7210110

Relais de protection de tension 2 boutons SPDT triphasé 110 VCA

EKR8-7210220

Relais de protection de tension 2 boutons SPDT triphasé 220 VCA

EKR8-7210380

Relais de protection de tension 2 boutons SPDT triphasé 380 VCA

EKR8-7210400

Relais de protection de tension 2 boutons SPDT triphasé 400 VCA

EKR8-7210415

Relais de protection de tension 2 boutons SPDT triphasé 415 VCA

EKR8-7210440

Relais de protection de tension 2 boutons SPDT triphasé 440 VCA

EKR8-7310110

Relais de protection de tension 3 boutons SPDT triphasé 110 VCA

EKR8-7310220

Relais de protection de tension 3 boutons SPDT triphasé 220VAC

EKR8-7310380

Relais de protection de tension 3 boutons SPDT triphasé 380VAC

EKR8-7310400

Relais de protection de tension 3 boutons SPDT triphasé 400VAC

EKR8-7310415

Relais de protection de tension 3 boutons SPDT triphasé 415VAC

EKR8-7310440

Relais de protection de tension 3 boutons SPDT triphasé 440VAC

Télécharger les fichiers

Document actuellement disponible en anglais uniquement.

Présentation du produit

Le relais de protection de tension utilise un processeur à grande vitesse et à faible consommation comme cœur. Lorsque la ligne d'alimentation présente une surtension, une sous-tension ou une défaillance de phase, une inversion de phase, le relais coupe le circuit rapidement et en toute sécurité pour éviter les accidents causés par une tension anormale envoyée à l'appareil terminal.

1. Le produit dispose de fonctions de protection : coupure de phase, décalage de phase, tension déséquilibrée, coupure de ligne zéro.
2. Surveillance en temps réel des défauts de décalage de phase, d'absence de phase et de déséquilibre de tension dans un circuit triphasé à trois fils.
3. Moniteur de tension, le produit améliore les performances anti-interférences du convertisseur de fréquence et les performances sont plus stables.
4. Relais de surveillance de tension, le protecteur de séquence de phase adopte une structure modulaire standard et une installation sur rail
5. Relais de protection de séquence de phase, le produit dispose de deux voyants lumineux indiquant diverses conditions de fonctionnement.

Paramètres techniques

Télécharger les fichiers

Envoyer une demande

Entrer en contact

Captcha Code
×
Nous respectons votre vie privée
Nous utilisons des cookies pour vous offrir une meilleure expérience en ligne, analyser et mesurer l'utilisation du site Web et aider dans nos efforts de marketing.
Accepter tout