Select country or region
ETEK Global website
Français
×
EKR8-5 Time Relay
EKR8-5 Time Relay
EKR8-5 Time Relay

Relais temporisé SPDT/DPDT de type rail DIN série EKR8-5

Le relais temporisé est une unité de commande automatique qui peut être combinée avec divers autres équipements électriques pour réaliser un contrôle automatique du circuit de fonctionnement. Lorsque le temps prédéfini est écoulé, la sortie du contact sera fermée ou ouverte, de sorte que l'équipement électrique terminal puisse fonctionner ou s'arrêter automatiquement.

Relais temporisé SPDT/DPDT de type rail DIN série EKR8-5

Renseignez-vous maintenant PDF

Présentation du produit

Description

Le relais temporisé est une unité de commande automatique qui peut être combinée avec divers autres équipements électriques pour réaliser un contrôle automatique du circuit de fonctionnement. Lorsque le temps prédéfini est écoulé, la sortie du contact sera fermée ou ouverte, de sorte que l'équipement électrique terminal puisse fonctionner ou s'arrêter automatiquement.

Cette série de relais temporisés présente les avantages d'une large plage de tensions de fonctionnement, d'instructions de travail claires, d'un petit volume, d'une taille uniforme, d'une installation facile, etc.

Application : machines industrielles, éclairage, fabrication, système CVC, alimentation et agriculture.

Paramètres techniques

Données techniques

Fiche technique 1
EKR8-521T
EKR8-522T
EKR8-541T
EKR8-542T
Caractéristiques de sortie
Sortie SPDT multi-périodes
Sortie DPDT multi-période
Circulation multi-période, SPDT
Circulation multi-période, DPDT
Courant nominal
5A/16A
Tension de fonctionnement
Tension unique : 12 V CA, 24 V CA, 110 V CA, 220 V CA, 12 V CC, 24 V CC
Large gamme de tensions : AC/DC 12-240 V
Plage horaire
0,1 S à 10 D
Fonctions
SPDT
DPDT
SPDT
DPDT
Fiche technique 2
EKR8-5110
EKR8-5111
EKR8-5120
EKR8-5121
EKR8-5130
Caractéristiques de sortie
SPDT (retard à l'allumage)
SPDT (retard de désactivation)
DPDT (retard à l'enclenchement)
DPDT (retard de désactivation)
Un groupe d'inst, un groupe de delay
Courant nominal
5A/16A
Tension de fonctionnement
Tension unique : 12 V CA, 24 V CA, 110 V CA, 220 V CA, 12 V CC, 24 V CC
Large gamme de tensions : AC/DC 12-240 V
Plage horaire
1S, 3S, 6S, 10S, 30S, 60S, 3M, 6M, 10M, 30M, 60M, 3H, 6H, 10H, 30H
Fonctions
SPDT DPDT DPDT DPDT DPDT
Fiche technique 3
EKR8-521★
EKR8-522★
EKR8-532★
Caractéristiques de sortie
Temporisation multi-périodes, SPDT
Temporisation multi-périodes, DPDT
Les modes multi-périodes, temporisés et A/B peuvent être commutés
Courant nominal
5A/16A
Tension de fonctionnement
Tension unique : 12 V CA, 24 V CA, 110 V CA, 220 V CA, 12 V CC, 24 V CC
Large gamme de tensions : AC/DC 12-240 V
Plage horaire
★: A, B, C, D, E
A : 1S/10S/1M/10M, B : 3S/30S/3M/30M, C : 6S/60S/6M/60M
D:1M/10M/1H/10H, E:3M/30M/3H/30H
Fonctions
SPDT
DPDT
Mode A : DPDT,
Mode B : Un groupe inst, Un groupe delay, DPDT

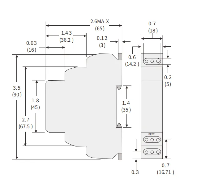
Dimensions

Dimension
Schéma de câblage
EKR8-521T/522T
EKR8-541T/542T
EKR8-5110/5111 EKR8-5120/5121
EKR8-5130 EKR8-532x
EKR8-521x/522x

Télécharger les fichiers

Document actuellement disponible en anglais uniquement.

Présentation du produit

Description

Le relais temporisé est une unité de commande automatique qui peut être combinée avec divers autres équipements électriques pour réaliser un contrôle automatique du circuit de fonctionnement. Lorsque le temps prédéfini est écoulé, la sortie du contact sera fermée ou ouverte, de sorte que l'équipement électrique terminal puisse fonctionner ou s'arrêter automatiquement.

Cette série de relais temporisés présente les avantages d'une large plage de tensions de fonctionnement, d'instructions de travail claires, d'un petit volume, d'une taille uniforme, d'une installation facile, etc.

Application : machines industrielles, éclairage, fabrication, système CVC, alimentation et agriculture.

Paramètres techniques

Télécharger les fichiers

Envoyer une demande

Entrer en contact

Captcha Code
×
Nous respectons votre vie privée
Nous utilisons des cookies pour vous offrir une meilleure expérience en ligne, analyser et mesurer l'utilisation du site Web et aider dans nos efforts de marketing.
Accepter tout