Présentation du produit
Le montage et le démontage du quatrième pôle et du contact auxiliaire sont rapides et simples sans outils.

|
01 | Compléments | 02 | Cache-borne | 03 | Quatrième pôle complémentaire à montage latéral |
L'interrupteur d'isolement adopte le même auxiliaire contact, et le contact auxiliaire et le contact principal les pôles de l'interrupteur agissent en même temps. Un contact normalement ouvert avec pré-déconnexion la fonction peut être fournie selon les besoins. L'interrupteur d'isolement peut être installé avec jusqu'à à quatre accessoires auxiliaires (Environ 2 et 2 à gauche) | Le couvercle du terminal de l'interrupteur d'isolement a une conception simple conception d'apparence, PC transparent de haute qualité matériau ignifuge, haute résistance, aucun changement de couleur après une utilisation à long terme, de haute qualité, étanche et facile à installer. | Opération de contact simultané ou précoce du quatrième pôle par rapport à les pôles de l'interrupteur-sectionneur. |
04 | Corps de l'interrupteur | 05 | Poignée rotative | | |
Le commutateur adopte un contact à compression technologie d'ouverture et de fermeture, et a la fonction de déconnexion complète indication. Selon sa mécanique principe, cet interrupteur peut fonctionner normalement dans n'importe quelle position, sans avoir à tenir compte le problème du débarquement des passagers. | Poignée rotative, avec cadenas anti-erreur de manipulation conception pour éviter les mauvaises opérations, sûre et fiable ; en utilisant des matériaux ignifuges de haute qualité, isolation et résistance aux chocs ; élégant et design élégant, beau et durable. | |
Paramètres techniques
Données techniques

Taper | 3P | EKD80-PM16R-3RY | EKD80-PM20R-3RY | EKD80-PM25R-3RY | EKD80-PM32R-3RY | EKD80-PM40R-3RY | EKD80-PM63R-3RY | EKD80-PM80R-3RY | EKD80-PM80HR-3RY | EKD80-PM100R-3RY | EKD80-PM125R-3RY |
4P | EKD80-PM16R-4RY | EKD80-PM20R-4RY | EKD80-PM25R-4RY | EKD80-PM32R-4RY | EKD80-PM40R-4RY | EKD80-PM63R-4RY | EKD80-PM80R-4RY | EKD80-PM80HR-4RY | EKD80-PM100R-4RY | EKD80-PM125R-4RY |
Actuel Courant de chauffage convenu (≤40°C) | 16A | 20A | 25A | 32A | 40A | 63A | 80A | 100A | 100A | 125A |
Niveau opérationnel certifié IEC actuel le AC-21 A/B (≤690 V) | 16A/16A | 20A/20A | 25A/25A | 32A/32A | 40A/40A | 63A/63A | 80A/80A | 100A/100A | 100A/100A | 125A/125A |
Classé LEC opérationnel actuel le AC-22A/B | 415V | 16A/16A | 20A/20A | 25A/25A | 32A/32A | 40A/40A | 63A/63A | 80A/80A | 100A/100A | 100A/100A | 125A/125A |
500 V |
690V | 32A/40A | 40A/63A | 63A/80A | 63A/80A | 80A/100A | 100A/125A |
Conforme à la norme IEC opérationnel actuel le AC-23A/B | 415V | 16A/16A | 20A/20A | 25A/25A | 32A/32A | 40A/40A | 63A/63A | 80A/80A | 80A/80A | 100A/100A | 125A/125A |
500 V | 25A/25A | | 63A/63A | | 80A/80A | 100A/125A |
690V | | 40A/40A | | 63A/63A | 63A/63A |
Classé LEC opérationnel actuel le DC-21B | 110 V CC | 16A① | 20A① | 25A① | 32A① | 40A① | 63A① | 80A① | 80A① | 100A① | 125A① |
250 V CC | 16A② | 20A② | 25A② | 32A② | 40A② | 63A② | 80A② | 80A② | 100A② | 125A② |
400 VCC | 16A③ | 20A③ | 25A③ | 25A③ | 40A③ | 63A③ |
Classé LEC opérationnel puissance (3 phases) AC-23A/B | 415V | 7,5 kW | 9 kW | 11 kW | 15 kW | 18,5 kW | 30 kW | 37 kW | 45 kW | 55 kW |
500 V |
690V | 11 kW | 15 kW |
Courant de tenue aux courts-circuits de la protection par fusible (valeur attendue en kA rms) |
Classe de fusible | 415V | 16A | 20A | 25A | 32A | 40A | 63A | 80A | 100A | 125A |
Évaluation conditionnelle courant de court-circuit | 415V | 50 kA | 25 kA |
Courant de tenue aux courts-circuits du disjoncteur pour la protection, tout disjoncteur pouvant se déclencher en 0,3 s |
Noté à court terme courant de résistance | 0,3 S | 2,5 kA | 3 kA | 5 kA |
Performances en court-circuit (non protégé) |
Noté à court terme courant de résistance | 1S | 1,26 kA | 1,5 kA | 2,75 kA |
Court-circuit nominal capacité de fabrication | 1,8 kA | 2,1 kA | 3,9 kA |
Zone de croisement des terminaux | 1,5 à 16 mm2 | 2,5 à 35 mm2 | 10 à 70 mm2 |
Tension d'isolement nominale Ui | 800 V |
Résistance nominale aux impulsions tension Uimp | 8 kV |
Endurance mécanique | 100000 |
Température ambiante | En fonctionnement -25...+55℃ Stockage -40...+70°C |
①Chaque pôle est utilisé comme positif et négatif
②Trois pôles sont utilisés en série avec des pôles positifs et négatifs, dont deux pôles sont en série et l'autre est négatif
③quatre pôles sont utilisés en série avec des pôles positifs et négatifs

Taper | 3P | EKD80-PM16R-3BW | EKD80-PM20R-3BW | EKD80-PM25R-3BW | EKD80-PM32R-3BW | EKD80-PM40R-3BW | EKD80-PM63R-3BW | EKD80-PM80R-3BW | EKD80-PM80HR-3BW | EKD80-PM100R-3BW | EKD80-PM125R-3BW |
4P | EKD80-PM16R-4BW | EKD80-PM20R-4BW | EKD80-PM25R-4BW | EKD80-PM32R-4BW | EKD80-PM40R-4BW | EKD80-PM63R-4BW | EKD80-PM80R-4BW | EKD80-PM80HR-4BW | EKD80-PM100R-4BW | EKD80-PM125R-4BW |
Actuel Courant de chauffage convenu (≤40°C) | 16A | 20A | 25A | 32A | 40A | 63A | 80A | 100A | 100A | 125A |
Niveau opérationnel certifié IEC actuel le AC-21 A/B (≤690 V) | 16A/16A | 20A/20A | 25A/25A | 32A/32A | 40A/40A | 63A/63A | 80A/80A | 100A/100A | 100A/100A | 125A/125A |
Classé LEC opérationnel actuel le AC-22A/B | 415V | 16A/16A | 20A/20A | 25A/25A | 32A/32A | 40A/40A | 63A/63A | 80A/80A | 100A/100A | 100A/100A | 125A/125A |
500 V |
690V | 32A/40A | 40A/63A | 63A/80A | 63A/80A | 80A/100A | 100A/125A |
Conforme à la norme IEC opérationnel actuel le AC-23A/B | 415V | 16A/16A | 20A/20A | 25A/25A | 32A/32A | 40A/40A | 63A/63A | 80A/80A | 80A/80A | 100A/100A | 125A/125A |
500 V | 25A/25A | | 63A/63A | | 80A/80A | 100A/125A |
690V | | 40A/40A | | 63A/63A | 63A/63A |
Classé LEC opérationnel actuel le DC-21B | 110 V CC | 16A① | 20A① | 25A① | 32A① | 40A① | 63A① | 80A① | 80A① | 100A① | 125A① |
250 V CC | 16A② | 20A② | 25A② | 32A② | 40A② | 63A② | 80A② | 80A② | 100A② | 125A② |
400 VCC | 16A③ | 20A③ | 25A③ | 25A③ | 40A③ | 63A③ |
Classé LEC opérationnel puissance (3 phases) AC-23A/B | 415V | 7,5 kW | 9 kW | 11 kW | 15 kW | 18,5 kW | 30 kW | 37 kW | 45 kW | 55 kW |
500 V |
690V | 11 kW | 15 kW |
Courant de tenue aux courts-circuits de la protection par fusible (valeur attendue en kA rms) |
Classe de fusible | 415V | 16A | 20A | 25A | 32A | 40A | 63A | 80A | 100A | 125A |
Évaluation conditionnelle courant de court-circuit | 415V | 50 kA | 25 kA |
Courant de tenue aux courts-circuits du disjoncteur pour la protection, tout disjoncteur pouvant se déclencher en 0,3 s |
Noté à court terme courant de résistance | 0,3 S | 2,5 kA | 3 kA | 5 kA |
Performances en court-circuit (non protégé) |
Noté à court terme courant de résistance | 1S | 1,26 kA | 1,5 kA | 2,75 kA |
Court-circuit nominal capacité de fabrication | 1,8 kA | 2,1 kA | 3,9 kA |
Zone de croisement des terminaux | 1,5 à 16 mm2 | 2,5 à 35 mm2 | 10 à 70 mm2 |
Tension d'isolement nominale Ui | 800 V |
Résistance nominale aux impulsions tension Uimp | 8 kV |
Endurance mécanique | 100000 |
Température ambiante | En fonctionnement -25...+55℃ Stockage -40...+70°C |
①Chaque pôle est utilisé comme positif et négatif
②Trois pôles sont utilisés en série avec des pôles positifs et négatifs, dont deux pôles sont en série et l'autre est négatif
③quatre pôles sont utilisés en série avec des pôles positifs et négatifs

Taper | 3P | EKD80-PM16-3BW | EKD80-PM20-3BW | EKD80-PM25-3BW | EKD80-PM32-3BW | EKD80-PM40-3BW | EKD80-PM63-3BW | EKD80-PM80-3BW | EKD80-PM80H-3BW | EKD80-PM100-3BW | EKD80-PM125-3BW |
4P | EKD80-PM16-4BW | EKD80-PM20-4BW | EKD80-PM25-4BW | EKD80-PM32-4BW | EKD80-PM40-4BW | EKD80-PM63-4BW | EKD80-PM80-4BW | EKD80-PM80H-4BW | EKD80-PM100-4BW | EKD80-PM125-4BW |
Actuel Courant de chauffage convenu (≤40°C) | 16A | 20A | 25A | 32A | 40A | 63A | 80A | 100A | 100A | 125A |
Niveau opérationnel certifié IEC actuel le AC-21 A/B (≤690 V) | 16A/16A | 20A/20A | 25A/25A | 32A/32A | 40A/40A | 63A/63A | 80A/80A | 100A/100A | 100A/100A | 125A/125A |
Classé LEC opérationnel actuel le AC-22A/B | 415V | 16A/16A | 20A/20A | 25A/25A | 32A/32A | 40A/40A | 63A/63A | 80A/80A | 100A/100A | 100A/100A | 125A/125A |
500 V |
690V | 32A/40A | 40A/63A | 63A/80A | 63A/80A | 80A/100A | 100A/125A |
Conforme à la norme IEC opérationnel actuel le AC-23A/B | 415V | 16A/16A | 20A/20A | 25A/25A | 32A/32A | 40A/40A | 63A/63A | 80A/80A | 80A/80A | 100A/100A | 125A/125A |
500 V | 25A/25A | | 63A/63A | | 80A/80A | 100A/125A |
690V | | 40A/40A | | 63A/63A | 63A/63A |
Classé LEC opérationnel actuel le DC-21B | 110 V CC | 16A① | 20A① | 25A① | 32A① | 40A① | 63A① | 80A① | 80A① | 100A① | 125A① |
250 V CC | 16A② | 20A② | 25A② | 32A② | 40A② | 63A② | 80A② | 80A② | 100A② | 125A② |
400 VCC | 16A③ | 20A③ | 25A③ | 25A③ | 40A③ | 63A③ |
Classé LEC opérationnel puissance (3 phases) AC-23A/B | 415V | 7,5 kW | 9 kW | 11 kW | 15 kW | 18,5 kW | 30 kW | 37 kW | 45 kW | 55 kW |
500 V |
690V | 11 kW | 15 kW |
Courant de tenue aux courts-circuits de la protection par fusible (valeur attendue en kA rms) |
Classe de fusible | 415V | 16A | 20A | 25A | 32A | 40A | 63A | 80A | 100A | 125A |
Évaluation conditionnelle courant de court-circuit | 415V | 50 kA | 25 kA |
Courant de tenue aux courts-circuits du disjoncteur pour la protection, tout disjoncteur pouvant se déclencher en 0,3 s |
Noté à court terme courant de résistance | 0,3 S | 2,5 kA | 3 kA | 5 kA |
Performances en court-circuit (non protégé) |
Noté à court terme courant de résistance | 1S | 1,26 kA | 1,5 kA | 2,75 kA |
Court-circuit nominal capacité de fabrication | 1,8 kA | 2,1 kA | 3,9 kA |
Zone de croisement des terminaux | 1,5 à 16 mm2 | 2,5 à 35 mm2 | 10 à 70 mm2 |
Tension d'isolement nominale Ui | 800 V |
Résistance nominale aux impulsions tension Uimp | 8 kV |
Endurance mécanique | 100000 |
Température ambiante | En fonctionnement -25...+55℃ Stockage -40...+70°C |
①Chaque pôle est utilisé comme positif et négatif
②Trois pôles sont utilisés en série avec des pôles positifs et négatifs, dont deux pôles sont en série et l'autre est négatif
③quatre pôles sont utilisés en série avec des pôles positifs et négatifs
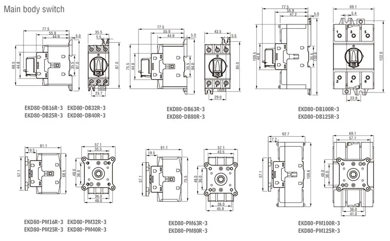
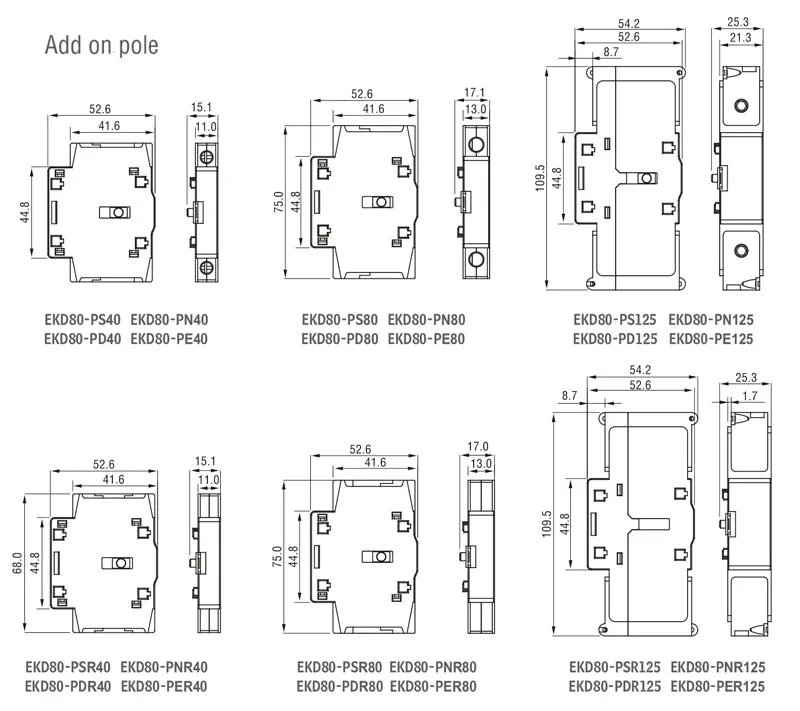
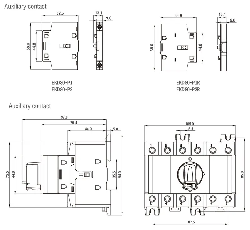
Dimensions
Dimensions hors tout et d'installation (mm)




Télécharger les fichiers
Document actuellement disponible en anglais uniquement.