Select country or region
ETEK Global website
Français
×
EKF1-32 Fuse Holder 3P
EKF1-32 Fuse Holder 4P
EKF1-32L Fuse Holder 3P
EKF1-32L Fuse Holder 4P
EKF1-32 Fuse Holder 3P
EKF1-32 Fuse Holder 3P
EKF1-32 Fuse Holder 4P
EKF1-32L Fuse Holder 3P
EKF1-32L Fuse Holder 4P

Porte-fusible CA à montage sur rail série EKF1 sans noyau de fusible

1. Options d'indication et de non-indication disponibles. 2. Conformité aux normes : IEC EN 60269-2. 3. La conception compacte et compacte offre une flexibilité ultime. 4. Montage sur rail DIN 35 mm. 5. Installation et retrait faciles du fusible sans extracteur ni outil supplémentaire requis.

Porte-fusible CA à montage sur rail série EKF1 sans noyau de fusible

Renseignez-vous maintenant PDF

Présentation du produit

Description

1. Les porte-fusibles sont des dispositifs destinés à contenir, protéger et monter des fusibles. Les porte-fusibles sont de deux types de base, ouverts ou entièrement fermés. Les types de porte-fusibles ouverts sont des types à clips, à blocs-fusibles, à douille et à capuchon enfichable. La variété entièrement fermée peut utiliser un porte-fusible inséré dans un support ou disposer d'autres moyens pour enfermer complètement le fusible.

2. Les options de montage pour les porte-fusibles comprennent le bloc-fusibles, le clip de fusible, le montage sur panneau, le montage sur PC, le montage par encliquetage et le montage en ligne. Les paramètres environnementaux importants à prendre en compte lors de la spécification des porte-fusibles incluent la température de fonctionnement.

Les blocs et supports de fusibles CA 3.EKF1 offrent une protection contre les courts-circuits et les surcharges.

  1. Options indicatrices et non indicatrices disponibles.

  2. Conformité aux normes : IEC EN 60269-2.

  3. La conception compacte et compacte offre une flexibilité ultime.

  4. Montable sur rail DIN 35 mm.

  5. Installation et retrait du fusible faciles sans extracteurs ni outils supplémentaires requis.

Paramètres techniques

Données techniques

Courant nominal In 32A, 63A, 125A
Modèle n° Type général EKF1-32, EKF1-63, EKF1-125
Avec type d'indicateur EKF1-32L, EKF1-63L, EKF1-125L
Polonais 1P, 2P, 3P, 4P, 1P+N, 3P+N
Catégorie d'utilisation AC-22A
Tension nominale Ue 240/415V
Tension d'isolement Ui 500 V
Fréquence nominale 50/60 Hz
Tension nominale de tenue aux chocs (1,5/50) Uimp 4 000 V
La vie électrique 1 500 cycles
Durée de vie mécanique 8 500 cycles
Fréquence de fonctionnement 120/h
Degré de protection Ip20
Couple de serrage EKF1-32 1,5 Nm 14 po-lb
EKF1-63 2,5 Nm 22 po-lb
EKF1-125 3,5 Nm 30 po-lb
Taille du terminal pour le câble EKF1-32 16 mm 2 18-5AWG
EKF1-63 25 mm 2 18-3AWG
EKF1-125 50 mm 2 18-2AWG
Température ambiante (avec une moyenne journalière ≤ 35 ℃) -5℃~+40℃
Température de stockage -25℃~+70℃
Montage Sur rail DIN EN60715 (35 mm) au moyen d'un dispositif de fixation rapide

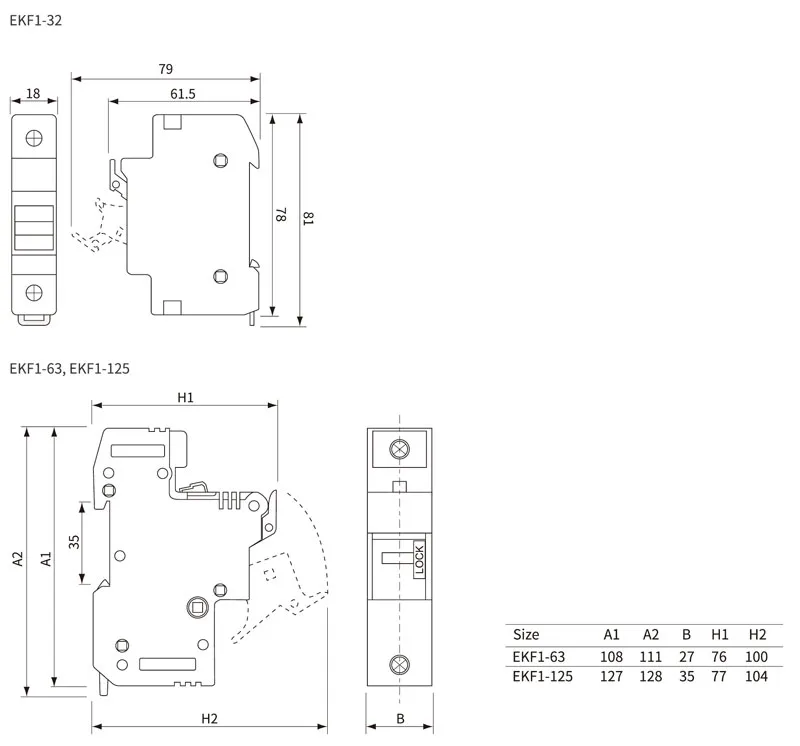
Dimensions

Formulaire de sélection de produits

Évaluation actuelle Numéro de référence Spécification Taille du fusible
32A EKF1-32-1 Base de fusible modulaire 32A Cadre 1P L = 18 mm 10x38mm
EKF1-32N-1 Base de fusible modulaire 32A Cadre 1P+N L=18mm
EKF1-32-2 Base de fusible modulaire 32A Cadre 2P L = 36 mm
EKF1-32-3 Base de fusible modulaire 32A Cadre 3P L = 54 mm
EKF1-32-4 Base de fusible modulaire 32A Cadre 4P L = 72 mm
EKF1-32L-1 Base de fusible modulaire avec lampe 32A Cadre 1P L = 18 mm
EKF1-32L-2 Base de fusible modulaire avec lampe 32A Cadre 2P L = 36 mm
EKF1-32L-3 Base de fusible modulaire avec lampe 32A Cadre 3P L = 54 mm
EKF1-32L-4 Base de fusible modulaire avec lampe 32A Cadre 4P L = 72 mm
63A EKF1-63-1 Base de fusible modulaire 63A Cadre 1P L = 27 mm 14x51mm
EKF1-63-2 Base de fusible modulaire 63A Cadre 2P L = 54 mm
EKF1-63-3 Base de fusible modulaire 63A Cadre 3P L = 81 mm
EKF1-63-4 Base de fusible modulaire 63A Cadre 4P L = 108 mm
EKF1-63L-1 Base de fusible modulaire avec lampe 63A Cadre 1P L = 27 mm
EKF1-63L-2 Base de fusible modulaire avec lampe 63A Cadre 2P L = 54 mm
EKF1-63L-3 Base de fusible modulaire avec lampe 63A Cadre 3P L = 81 mm
EKF1-63L-4 Base de fusible modulaire avec lampe 63A Cadre 4P L = 108 mm
125A EKF1-125-1 Base de fusible modulaire 125 A Cadre 1P L = 35 mm 22x58mm
EKF1-125-2 Base de fusible modulaire 125 A Cadre 2P L = 70 mm
EKF1-125-3 Base de fusible modulaire 125 A Cadre 3P L = 105 mm
EKF1-125-4 Base de fusible modulaire 125 A Cadre 4P L = 140 mm
EKF1-125L-1 Base de fusible modulaire avec lampe 125 A Cadre 1P L = 35 mm
EKF1-125L-2 Base de fusible modulaire avec lampe 125 A Cadre 2P L = 70 mm
EKF1-125L-3 Base de fusible modulaire avec lampe 125 A Cadre 3P L = 105 mm
EKF1-125L-4 Base de fusible modulaire avec lampe 125 A Cadre 4P L = 140 mm

Télécharger les fichiers

Document actuellement disponible en anglais uniquement.

Présentation du produit

Description

1. Les porte-fusibles sont des dispositifs destinés à contenir, protéger et monter des fusibles. Les porte-fusibles sont de deux types de base, ouverts ou entièrement fermés. Les types de porte-fusibles ouverts sont des types à clips, à blocs-fusibles, à douille et à capuchon enfichable. La variété entièrement fermée peut utiliser un porte-fusible inséré dans un support ou disposer d'autres moyens pour enfermer complètement le fusible.

2. Les options de montage pour les porte-fusibles comprennent le bloc-fusibles, le clip de fusible, le montage sur panneau, le montage sur PC, le montage par encliquetage et le montage en ligne. Les paramètres environnementaux importants à prendre en compte lors de la spécification des porte-fusibles incluent la température de fonctionnement.

Les blocs et supports de fusibles CA 3.EKF1 offrent une protection contre les courts-circuits et les surcharges.

  1. Options indicatrices et non indicatrices disponibles.

  2. Conformité aux normes : IEC EN 60269-2.

  3. La conception compacte et compacte offre une flexibilité ultime.

  4. Montable sur rail DIN 35 mm.

  5. Installation et retrait du fusible faciles sans extracteurs ni outils supplémentaires requis.

Paramètres techniques

Télécharger les fichiers

Envoyer une demande

Entrer en contact

Captcha Code
×
Nous respectons votre vie privée
Nous utilisons des cookies pour vous offrir une meilleure expérience en ligne, analyser et mesurer l'utilisation du site Web et aider dans nos efforts de marketing.
Accepter tout